I have heard a lot about the Sakuma Darling and was eager to try it out. For the uninitiated, Sakuma San is a cool Japanese guy whose amp philosophy is without peer. He believes in
I can't afford a 300B, lest a 300B driving another 300B. Nor can I afford those Tamuras Sakuma San uses, so the Sakuma Darling will have to do. I hope it brings light on the Sakuma sound.

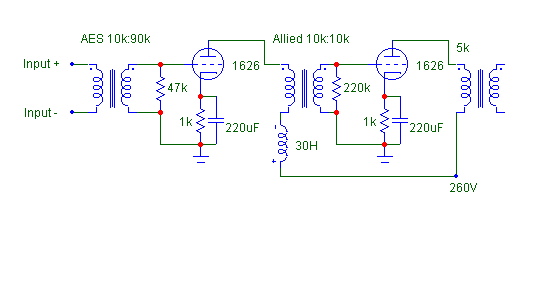
The above circuit is modified from Bob Danielak's Sakuma Darling. The cheap interstage transformers make it interesting and affordable. Since make-or-break depends on the trans, they warrant a closer look. Look here for my experiments with the AES 10k:90k PT159 interstage. You'll understand why there is a 47k on the secondary of the PT159.
I spent some time testing the Allied 10k:10k interstage as well. Unfortunately, it's not as great as the AES interstage. In fact, it SUCKS. With or without DC current flowing through it, it SUCKS. There seems to be 2 peaks in the frequency response. A mild 6dB peak at ~30kHz and a horrendous 12dB peak at ~55kHz. Worse thing is, there's nothing much I could do about it. Low frequency response isn't great either. The spec says down to 150Hz and you don't have to doubt this. By the way, the interstage looks like it's made by Hammond. The box, the build and the labelling looks too similar to Hammond. To improve the bass, the above schematics has a 30H choke in series with the primary.
Anyway, I built it and... There's really nothing much on the lows. I don't expect a lot of bass but it's so rolled off that it even struggles with some lower acoustic guitar notes. It does sound a lot more transparent than the conventional Darling. it took out the fun and isn't very fun listening to.
A search on Audio Asylum suggests bridging a 0.22uF cap between primary and secondary of the Allied interstage. Said to improve the frequency response from DC to light, but hey, this isn't transformer coupling anymore! Might as well take out the interstage and leave the cap there! That's what I did. I took out the weak link, the Allied and reverted to capacitor coupling.

Now we have all the bass back! It's still pretty transparent but you could definitely change the sound with your choice of coupling capacitor. I used Auricap here as it's more neutral sounding. Image sizes are a hell lot more realistic, more lifelike but it still retains its ability to "boogie". Unfortunately, gain is not that great. The 5965-1626 Darling has a gain of about 36x (so direct connection from CD player works just fine) while the above only manages <15x. A preamp will be great but the above works just fine on my Hammer Dynamics.
There you go, the "Not-Quite-Sakuma Darling"! This will have to do until I could afford some REALLY serious interstage.